同軸光路設計,耦合效率>80%,尾纖耐受50N拉力,FC/SMA905標準接口,插拔一致性好,熒光光譜,實驗教學
◆ 熒光光譜範圍:850nm-1100nm;
◆ 有效濾除瑞利散射信號,對激發光的截止深度:OD5;
◆ 相對傳統熒光檢測結構,可以將提供信號靈敏度100倍。
產品參數 |
|
| 項目 | 值 |
| 產品規格 | FPB-808-1.5-SS |
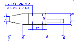
| 主件尺寸 | 黑色陽極氧化鋁材質,102x30x13 mm , 頭部 (長45 mm) |
| 重量 | 195g |
| 出射光纖規格 | 105μm芯徑,VIS-NIR波段 |
| 接收光纖規格 | 200μm芯徑, VIS-NIR 波段 |
| 合束段鎧甲規格 | Φ8.5mm,PVC黑色外鎧,內部金屬波紋管 |
| 電線線束 | N.A. |
| 尾纖長度(合束段) | 115cm |
| 尾纖長度(分束段) | 30cm |
| 與蜜桃视频成年APP入口相連端接頭規格 | SMA905 |
| 與蜜桃免费视频相連端接頭規格 | SMA905 |
| 適用蜜桃视频成年APP入口波長 | 808nm |
| 合束段耐受拉力 | 50N |
| 濾光片激光截止深度 | OD5 |
| 光譜工作範圍 | 850nm - 1100nm |
| 探頭出射耦合效率: | ≥80% |
| 工作溫度 | 0 -80℃ |
| 工作濕度 | 5% - 80% |


